Назад:
2.1 Управляемые параметры
режима сварки
2.2 Управление током
Величина тока в электрической цепи прямо пропорциональна
напряжению, приложенному к этой цепи, и обратно пропорциональна полному
сопротивлению участка цепи, к которому приложено напряжение:
I = U/z,
где
– полное сопротивление участка электрической цепи; R, XL,
XC – соответственно активное, индуктивное и емкостное сопротивления
участка.
Задавать величину тока в цепи (системе) можно
изменением величины напряжения или изменением величины составляющих полного
сопротивления, или тем и другим одновременно.
Рассмотрим обобщенную схему питания электроэнергией
некоторой условной технологической установки – потребителя энергии – от
цехового распределительного устройства однофазным переменным напряжением
(рис.2.1).

Рис. 2.1. Обобщенная схема питания электроэнергией
потребителя
Преобразователь электрической энергии – технический
объект – может представлять собой, например, источник питания сварочной дуги, а
потребителем (нагрузкой) в этом случае будет непосредственно сварочная дуга.
Для преобразователя напряжением питания является переменное напряжение ~ Uc,
для потребителя – напряжение Uп на выходе преобразователя, которое
может быть напряжением или переменного, или постоянного тока.
Для дальнейшего изложения принимают несколько
допущений:
· потребитель может быть заменен активным сопротивлением
нагрузки Rн;
· активное, индуктивное и емкостное сопротивления
соединительных проводов малы по сравнению с Rн и ими можно
пренебречь, равно как и емкостным сопротивлением преобразователя;
· изображать цеховую электросеть
нет необходимости, достаточно указать участки «a» и «б» (рис.2.1) с приложенным
к ним сетевым напряжением ~ Uc;
· изображать рубильники (выключатели) S1 и S2 при
обсуждении вопроса об управлении величиной тока тоже нет необходимости.
С учетом сделанных допущений заменяют схему рис.2.1 на
схему рис.2.2 и указывают на этой схеме пунктиром для дальнейшего обсуждения
варианты включения устройств управления током (УУТ) нагрузки.

Рис. 2.2. Варианты включения устройства управления
током (УУТ) в схему питания потребителя
Необходимо отметить, что если в качестве технического
объекта рассматривать преобразователь электроэнергии, параметрами режима могут
быть и ток I, и напряжение Uн. Однако техническим объектом может
быть и структура, обведенная на рис.2.2 штрихпунктирной линией, например,
электропечь, в которой Rн – активное сопротивление нихромовой
спирали, и тогда параметром режима следует считать температуру нагрева печи, а
ток – управляющим воздействием.
Устройство управления током, включенное по варианту
УУТ, позволяет менять величину первичного напряжения переменного тока U1,
поступающего на преобразователь, и величину электроэнергии со стороны цеховой
сети так, что U1 ≤ Uc. Изменение величины U1
вызывает прямо пропорциональное изменение вторичного напряжения Uн
и, как следствие, – изменение величины тока I. Наиболее часто такой вариант
управления током технически реализуется на основе применения тиристорного
контактора, который представляет собой два тиристора, включенных встречно –
параллельно. Способ широко применяется для технологических процессов, в которых
форма кривой тока в цепи нагрузки значения не имеет. К таким процессам
относятся некоторые способы сварки (контактная точечная, рельефная,
электрошлаковая) и процессы нагрева при изготовлении паяных соединений.
На рис.2.3,а показана схема включения тиристорного
контактора в первичную цепь сварочного трансформатора (Т) для контактной
точечной сварки. Графики рис.2.3,б поясняют работу тиристорного контактора.
Изменение величины U1 тиристоров достигается за счет изменения угла a, при котором подается импульс управляющего напряжения
Uy, открывающего тиристоры VS1 и VS2. Форма кривой напряжения тиристора
U1 и нагрузки Uн становится прерывистой,
несинусоидальной, как и форма тока I (на рисунке не показана), которая зависит
также и от величин, составляющих полное сопротивление нагрузки Z.

Рис. 2.3. Встречно–параллельное включение тиристоров
(а)
и форма кривой напряжения в различных узлах схемы (б)
Изменение угла a и формирование импульса управляющего напряжения по
амплитуде и длительности осуществляется схемой блока управления БУ. Реальный
диапазон изменения углов включения тиристоров ограничивается p/6 ≤ a ≤ 5p/6. Плавное изменения величины угла a производится резистором R.
Разработано и применяется несколько способов плавного
изменения величины угла a. В качестве примера рассмотрим простейший и широко распространенный
способ, основанный на применении схемы мостового фазовращателя, рис.2.4,а.
Фазовращатель состоит из активного сопротивления R и
конденсатора С, подключенных ко вторичной обмотке трансформатора Т со средней
точкой. Напряжения на сопротивлении R и конденсаторе С сдвинуты относительно
друг друга на угол 90°, поэтому векторы этих напряжений взаимно перпендикулярны
(рис. 2.4,б). Напряжение на вторичной обмотке трансформатора Т постоянно и не
изменяется по фазе. Для ненагруженного моста при изменении величины
сопротивления R выходное напряжение Uвых, снимаемое с диагонали
моста, остается постоянным по величине, но изменяется по фазе относительно
напряжения сети. При этом конец вектора выходного напряжения будет описывать
дугу окружностью около 180°. Диапазон изменения фазы выходного напряжения
составляет 180° при изменении активного сопротивления R от 0 до ∞.

Рис. 2.4. Мостовой фазовращатель с формирователем
импульсов:
а – принципиальная схема; б – векторная диаграмма; в –
осциллограммы Uсеть, Uвых и Uу сигнала
управления
Выходное напряжение Uвых, снимаемое с
диагонали моста, используется для управления моментом включения тиристоров,
путем изменения a относительно напряжения питания. Для этого Uвых подают на
формирователь импульсов (ФИ), который в момент перехода напряжения Uвых
через нуль формирует на своём выходе импульсы управляющего напряжения Uy
(рис.2.4,в). Эти импульсы поступают затем на управляющие электроды тиристоров,
как это показано на рис.2.3,а.
При другом варианте включения УУТ эти устройства
являются неотъемлемой частью конструкции преобразователя энергии. Таким
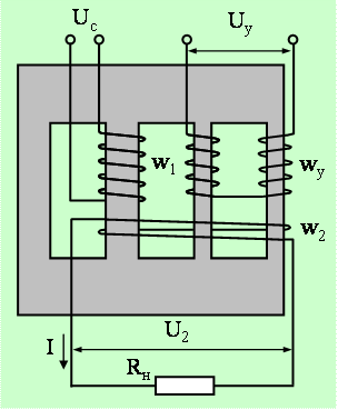
является трансформатор с электромагнитным шунтом, рис.2.5.

Рис. 2.5. Трансформатор с электромагнитным шунтом
Шунт представляет собой два узких стержня сердечника,
охваченных вторичной обмоткой w2 трансформатора, на которых
расположены две обмотки управления wу. К первичной обмотке w1 подводится
напряжение сети Uc переменного тока. Обмотки управления wy
питаются напряжением Uy постоянного тока и включены так, чтобы
магнитная система трансформатора не подмагничивалась постоянным током. Трансформаторы
такого типа позволяют плавно регулировать напряжение U2, а
следовательно, и тока I в нагрузке за счет изменения тока iу в обмотках управления при плавном изменении
напряжения Uy. В трансформаторе с электромагнитным шунтом объединены
конструктивно как бы два электромагнитных устройства – трансформатор и реактор
насыщения.
Реактор насыщения, или магнитный усилитель (МУ),
применяется для управления величиной тока или величиной мощности нагрузки и в
качестве самостоятельного устройства включается по варианту, обозначенному как
УУТЗ на рис.2.2.
Простейший МУ (рис.2.6,а) состоит обычно из двух
магнитно не связанных сердечников. Обмотка управления wy намотана на
оба центральных стержня сердечника МУ и питается постоянным током. На крайних
стержнях, на которых располагаются рабочие обмотки w1 и w2,
имеется одинаковое количество витков. Рабочие обмотки питаются переменным током
и соединены или последовательно, как показано на рисунке, или параллельно.
Причем они наматываются так, чтобы магнитные потоки в центральных стержнях были
направлены противоположно, в этом случае исключается переменная составляющая
тока в обмотке wy.

Рис. 2.6. Магнитный усилитель: а – схема; б –
зависимость магнитной
проницаемости сердечника от тока управления; в –
регулировочная характеристика
Ток в рабочей цепи МУ
,
где Uc
– переменное напряжение, питающее рабочие обмотки;
R = Rн + Rд + Rоб –
полное активное сопротивление (нагрузки, диодов, рабочих обмоток; XL
– индуктивное сопротивление рабочих обмоток МУ.
В свою очередь, индуктивное сопротивление рабочих
обмоток
XL = ω L
где ω = 2лf – угловая частота
напряжения питания рабочих обмоток; L = kµ – индуктивность рабочих обмоток; k –
постоянный коэффициент, зависящий от конструктивных параметров МУ; µ –
магнитная проницаемость сердечника.
При изменении тока управления в обмотке wу
будет изменяться магнитная проницаемость µ сердечника и индуктивность L рабочей
обмотки. Это, в свою очередь, приводит к изменению индуктивного сопротивления XL
и величины тока в нагрузке. Так, например, если ток управления изменить
от нуля до некоторого значения iу
(рис.2.6,б), магнитная проницаемость уменьшится до значения µ1, что
в конечном итоге вызовет увеличение тока нагрузки от величины I0 до
значения I1 (рис.2.6,в). Величина I0 при замкнутой рабочей
цепи и при наличии питающего напряжения в нереверсивных МУ принципиально не
может быть равна нулю, поскольку такое возможно только для бесконечно большого
сопротивления рабочей цепи, что равносильно ее разрыву. Величина I0
может быть уменьшена только за счет качества материала сердечника и конструктивных
параметров МУ. Чем меньше величина тока I0, тем качественнее
считается МУ. В двухтактных усилителях ток I0 равен нулю, но они
громоздки, так как состоят из двух нереверсивных МУ. Коэффициент усиления по
току ki. = ∆I/∆iу, который определяется на
наиболее крутом участке регулировочной характеристики, может достигать в МУ
величины 100 и более.
Если для нагрузки требуется постоянный ток, тогда в
цепь рабочих обмоток МУ включают выпрямительный мост (рис.2.6,а). МУ могут
содержать несколько обмоток управления, что делает эти устройства чрезвычайно
удобными для решения задач автоматического регулирования.
Для управления величиной постоянного тока используются
выпрямительные мосты, собранные на тиристорах (рис.2.7,а). В зависимости от марки
тиристоров максимальное значение тока в нагрузке может находиться в очень
широком диапазоне (от миллиампер до сотен ампер).
Для управления величиной переменного тока, если его
максимальное значение не превышает 20 А, могут быть использованы автотрансформаторы
(рис.2.7,б). В системах управления техническими объектами при работе на больших
токах автотрансформаторы находят ограниченное применение из-за их больших габаритов.

Рис. 2.7. Средства и способы задания величины тока в
нагрузке
Для управления величиной переменного и постоянного
тока до нескольких ампер широкое применение находят все схемы рис.2.7,а-г.
Нагрузкой для этих схем очень часто являются входные сопротивления
полупроводниковых усилителей и другой преобразовательной техники, а также
обмотки управления магнитных и электромашинных усилителей и обмотки возбуждения
электродвигателей и генераторов.