Назад:
3.3.5. Выпрямитель с подпиткой
3.4. Выпрямители сварочные с фазовым управлением
3.4.1. Особенности фазового регулирования
В сварочных тиристорных выпрямителях нашли применение
следующие схемы выпрямления: трехфазная мостовая (рис.3.19,а), шестифазная с
уравнительным реактором и шестифазная кольцевая (рис.3.20).

Рис. 3.19. Упрощенная схема тиристорного выпрямителя с трехфазной мостовой схемой (а) и диаграммы: б – вторичные фазные напряжения; в – вторичные линейные напряжения; г – выпрямленный прерывистый и д – сглаженный ток
Проанализируем сначала простейший случай работы
трехфазной мостовой схемы при малом сопротивлении фазы трансформатора х » 0, т.е. при условии мгновенной коммутации. В
начальный момент t0 (рис.3.19,б) ток пропускают вентили VS5 в катодной группе (потенциал вентиля анода имеет
наибольшее положительное значение U2с) и VS6 в анодной группе (потенциал вентиля катода имеет
наибольшее отрицательное значение U2в). Остальные вентили ток не
пропускают. В неуправляемом выпрямителе коммутация тока с вентиля VS5 на VS1 произошла бы
в момент t1, когда a = 30° и фазное напряжение U2а становится больше U2c.
Для управляемого выпрямителя в этот момент выполняется
только первое условие отпирания вентиля VS1 – потенциал его анода стал максимальным
положительным среди вентилей катодной группы. Но отпирание VS1 произойдет лишь при выполнении второго условия – в
определяемый системой управления момент подачи отпирающего импульса. До этих
пор в катодной группе будет работать вентиль VS5, хотя потенциал его анода ниже, чем у VS1. Пусть в момент t2 на
управляющий электрод тиристора VS1 будет подан
управляющий импульс. В результате вентиль VS1 откроется, при этом вентиль VS5 закроется. Момент пересечения фазных напряжений,
соответствующий коммутации неуправляемых вентилей (t1, что
соответствует углу синусоиды 30°), называют моментом естественной коммутации, а угол a между t2 и t1 – углом
управления (или регулирования) тиристора. Моменты отпирания вентилей катодной
группы в порядке VS1-VS3-VS5-VS1… сдвинуты относительно друг друга на 120°, как
фазные напряжения U2а, U2в, U2с. В анодной
группе моменты отпирания вентилей сдвинуты относительно друг друга так же на
120°, а относительно моментов отпирания вентилей тех же фаз катодной группы –
на 180°. Таким образом, вентили будут включаться в порядке VS1-VS2-VS3-VS4-VS5-VS6-VS1 с одинаковыми углами управления относительно
моментов их естественной коммутации.
На рис. 3.19,б утолщенной линией показано изменение
потенциала плюсовой клеммы выпрямителя (выше оси) и минусовой клеммы (ниже оси
абсцисс). Текущее значение выпрямленного напряжения uв,
являющееся разностью этих потенциалов (показано на рис.3.19,в толстой линией).
Как видно, в интервале t1…t2 это напряжение меньше, чем для неуправляемого
выпрямителя, у которого напряжение менялось по огибающей кривой линейных
напряжений. Поэтому и среднее значение напряжения управляемого выпрямителя Uв
меньше, чем у неуправляемого на величину, пропорциональную площади
заштрихованного участка.
При углах управления a от 0 до 60° кривая выпрямленного напряжения непрерывна, его
средняя величина может быть определена из формулы
Uв = 1,35U1л(w2/w1)cosa. (3.16)
С увеличением угла управления a потери напряжения Uв,
пропорциональные площади заштрихованного участка, увеличиваются, а само
выпрямленное напряжение снижается: a Þ Uz Þ Uв¯.
Фазовое регулирование заключается в изменении угла
управления тиристоров, приводящем к изменению части напряжения трансформатора,
подаваемого тиристорным выпрямительным блоком на нагрузку.
Фазовое
регулирование обладает всеми достоинствами электрического регулирования:
компактность и высокая надежность бесконтактных органов управления, плавность и
высокая кратность регулирования напряжения, простота дистанционного и
программного управления.
Главный недостаток фазового регулирования заключается
в значительной пульсации выпрямленного напряжения. При a > 60° в кривой
выпрямленного напряжения появляются разрывы (рис.3.19,г). Более того, даже в
интервале 0 < a < 60°, несмотря на непрерывность кривой uв,
кривая сварочного тока iд
прерывиста, если напряжение дуги достаточно велико. Разрывы кривой тока
возникают при uв < Uд.
Для уменьшения пульсации в тиристорных выпрямителях
устанавливают сглаживающий реактор L, иногда с обратным диодом VD (рис.3.19,а). В те моменты, когда мгновенное значение
выпрямленного напряжения uв уменьшается, сварочный ток
поддерживается энергией, запасенной реактором в предыдущем промежутке времени.
Обратный диод особенно полезен при глубоком регулировании (a>60°), поскольку
позволяет реактору поддерживать ток iд2
в моменты, когда тиристоры не пропускают ток iд1. В результате кривая тока существенно сглаживается
(рис. 3.19,д). Для практически полного сглаживания тока во всем интервале
регулирования a от 0 до 90 необходимо, чтобы сопротивление реактора XL
= ωL было существенно выше сопротивления нагрузки – дуги (ωL
>> 5Rд). Такой мощный реактор чересчур дорог и велик, к тому
же чрезмерно замедляет переходные процессы при зажигании дуги и переносе
электродного металла. Поэтому индуктивность назначают из соображения уменьшения
разбрызгивания на уровне L = 0,2…0,5 мГн, не стремясь к полному сглаживанию
тока.
Обычно применяется реактор с воздушным зазором на две
или три ступени (рис.3.20,б).

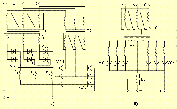
Рис.3.20. Упрощенные схемы тиристорных выпрямителей: а – с кольцевой схемой выпрямления; б – с шестифазной с уравнительным реактором
Для снижения пульсации напряжения разумно
также ограничивать глубину разового регулирования, например до a < 60°. Чтобы
кратность регулирования напряжения при этом не снизилась, фазовое регулирование
дополняют ступенчатым, например, изменяя соединение обмоток трансформатора. На
рис. 3.20,б переключатель S показан в положении, обеспечивающем соединение
первичных обмоток в звезду, что дает низший диапазон регулирования сварочного
напряжения. При другом положении переключателя обмотки соединяются
треугольником, и выпрямленное напряжение увеличивается в 1,73 раза. Наконец,
устойчивое горение дуги при глубоком фазовом регулировании достигается
введением блока подпитки (рис. 3.20,а).
Блок представляет собой вспомогательный
маломощный выпрямитель, состоящий из трансформатора Т2 с увеличенным рассеянием
и блока неуправляемых вентилей VD.
Его ток заполняет паузы в кривой тока основного источника.
Формирование
внешних характеристик в тиристорном выпрямителе. Необходимые (жесткие или крутопадающие) внешние
характеристики в тиристорном выпрямителе могут быть сформированы естественным
или искусственным способом – введением обратных связей по току Uст и
напряжению Uсн. В конструкциях сварочных тиристорных выпрямителей
необходимый тип естественных внешних характеристик задается конструкцией
трансформатора. Жесткие характеристики получаются при использовании
трансформатора с нормальным рассеянием, крутопадающие – при использовании
трансформатора с увеличенным рассеянием.
Для понимания принципа формирования характеристик за
счет обратных связей необходимо представить тиристорный выпрямитель как
замкнутую систему автоматического регулирования тока или напряжения (рис.3.21).
В силовой части схемы напряжение сети преобразуется трансформатором с
нормальным рассеянием и после выпрямления тиристорным блоком и сглаживания
фильтром подается на дугу.

Рис.3.21. Блок-схема тиристорного выпрямителя с обратными связями
В слаботочной части блок задания формирует сигнал
задания тока Uзт или напряжения UЗН, а блок фазового управления передает его к
тиристорному блоку, формируя импульс управления тиристорами. Для создания
системы автоматического регулирования необходимы датчики сигналов обратной
связи выпрямленного напряжения Uосн и тока Uост, датчик
сетевого напряжения, а также блок сравнения сигналов заданий с сигналами
датчиков. В конкретной конструкции может быть как одна из показанных пунктирной
линией обратных связей, так и несколько.
Рассмотрим действие системы автоматического
регулирования напряжения в выпрямителе с жесткими характеристиками.
Выпрямленное сварочное напряжение Uв (сигнал Uосн) сравнивается в блоке сравнения с заданным Uзн. Их разность Uзн
– Uосн воздействует через блок фазового управления на угол a управления тиристоров.
Если при снижении напряжения в сети или увеличении нагрузки выпрямленное
напряжение Uв снизится, то угол
управления уменьшится, в результате чего выпрямленное напряжение возрастет
почти до исходной величины.
Uв¯ Þ (Uзн – Uосн) Þ a¯ Þ Uв = const.
Таким образом, выпрямленное напряжение
стабилизируется, т.е. остается постоянным, независимым от колебаний нагрузки и
напряжения сети. На рис. 3.22,а тонкими линиями показаны естественные
пологопадающие внешние характеристики (Uзн1– Uзн4), а
толстыми линиями показаны полученные из них за счет обратных связей жесткие
линии характеристик (1–4), положение которых зависит только от значений
заданного напряжения Uзн. Иногда
ограничиваются стабилизацией только при колебаниях напряжения сети, в этом
случае сигнал задания Uзн
сопоставляется с сетевым напряжением Uс.

Рис.3.22. Внешние характеристики тиристорного выпрямителя, полученные за счет обратных связей: а – жесткая; б – крутопадающая; в – пологопадающая
Для получения крутопадающей внешней характеристики
используют действие отрицательной обратной связи по току, когда сигнал задания Uзт сопоставляется с напряжением Uост
датчика, пропорциональным сварочному току Iд. При введении
отрицательной обратной связи с ростом тока угол управления тиристора
возрастает, что приводит к снижению выпрямленного напряжения:
Iд Þ Uост Þ (Uзт – Uост) ¯ Þ α Þ Uв¯.
На рис.3.22,б показано, как из естественных
пологопадающих характеристик (тонкие линии) формируются искусственные
крутопадающие характеристики (утолченные линии).
При введении положительной ОС по току и Iст можно
получить пологовозрастающие характеристики, рис.3.22,в (утолщенная линия).
Искусственные внешние характеристики в тиристорном выпрямителе получаются
благодаря обратным связям по напряжению или току. Стабилизация напряжения при
жестких внешних характеристиках достигается
введением отрицательной обратной связи по сварочному или сетевому напряжению.
Крутопадающая характеристика обеспечивается
введением отрицательной обратной связи по току.