Назад: 3.3.3. Выпрямители с реактором
насыщения
3.3.4.
Выпрямитель с умножителем напряжения
Увеличение
напряжения в период зажигания дуги у однофазных выпрямителей осуществляется за счет
конденсаторного умножителя (удвоителя) напряжения, включенного последовательно или
параллельно с основной силовой цепью.
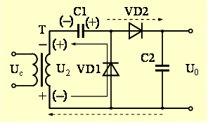
На рис. 3.16 показана схема выпрямителя с
последовательным удвоением напряжения.

Рис. 3.16. Схема выпрямления с удвоением напряжения
В первый полупериод
вторичная обмотка трансформатора Т имеет полярность, показанную знаками (+) и (–). При этом
через диод VD1 идет ток,
направление которого показано тонкой линией, и заряжает конденсатор С1 до
амплитудного напряжения вторичной обмотки UС1=
. Во втором
полупериоде через конденсатор С2 идет
ток, показанный пунктирной линией создаваемый
совместным действием напряжения вторичной обмотки и конденсатора С1. При этом
их полярность показана знаками (+) и (–), и их напряжения суммируются: UC2 = U2 + UC1. Поэтому конденсатор С2 заряжается до удвоенного амплитудного напряжения
вторичной обмотки трансформатора, которое является напряжением холостого хода
выпрямителя:
.
Высокое значение U0 способствует надежному зажиганию дуги.
При нагрузке напряжение выпрямителя UB снижается, но в каждом из нечетных
полупериодов оно частично восстанавливается благодаря периодической подзарядке
конденсатора С1. Провалы в кривой сварочного тока частично заполняются
благодаря разрядке конденсатора С2 на
дугу, что повышает устойчивость ее горения.
Такая конструкция выпрямителя
позволяет снизить габариты, массу и стоимость трансформатора. Он может быть
подключен даже к бытовой сети 220 В, 16 А.
На этом принципе
разработан выпрямитель «Дуга 318М» (Электроприбор,
Новомосковск) с параллельным умножением напряжения, рис.3.17, который может
подключаться как к однофазной сети 220 В клеммами А и В, так и к двухфазной
сети 380 В – клеммами А и С. Сетевое напряжение через автоматический
выключатель QF поступает
на трансформатор Т. Переключателем
SA устанавливается необходимое пониженное напряжение, которое подается на
вентильный блок VD1-VD4 и
умножитель напряжения (батареи конденсаторов C1 и C2). Реактор L2 служит для сглаживания сварочного тока.

Рис. 3.17. Выпрямитель «Дуга 318М»: а – схема выпрямителя; б – внешние характеристики
Контакты
переключателя SA перемещаются по
оголенным проточенным виткам вторичной обмотки, за счет чего и регулируется ток.
Вентильный блок собран по мостовой схеме из четырех диодов VD1-VD4. Умножитель напряжения
работает следующим образом. В одном из полупериодов по цепи х5-VD3-С1-L1-х4 идет зарядка
конденсаторной батареи С1. В
следующем полупериоде по цепи х4-L1- С2-D4-х5 идет зарядка конденсаторной
батареи С2 такой же емкости.
При холостом ходе суммарное напряжение выпрямителя составляет 60 В. При общей
емкости 17600 мкФ в умножителе запасается энергия CU2/2 = 30 Дж, которой достаточно для начального зажигания дуги при ручной
дуговой сварке.
Внешние
характеристики выпрямителя даны на рис. 3.17,б. Начальный крутопадающий участок
характеристики сформирован умножителем. При сварке дуга питается от основной
силовой цепь Т, VD1-VD4, L2. Внешняя характеристика источника питания на
рабочем участке пологопадающая с относительно невысоким U0, равным 15…35 В. Диапазон регулирования тока при витковом регулировании
переключателем SA составляет
50…200 А.
У
трехфазного двигателя вентилятора две обмотки получают питание непосредственно
от сети, а третья (со сдвигом фазы) - за счет конденсаторов С3, С4.
Светодиод VDH получает питание от
вспомогательной обмотки трансформатора через резистор R и сигнализирует о наличии напряжения
сети.
Другие конструкции
выпрямителей могут иметь комбинированные схемы последовательного и параллельного
умножения, а также трехфазную схему выпрямления.
Сварочные свойства
таких выпрямителей зависят от параметров цепи умножителя. Надежное зажигание
дуги электродом с рутиловым покрытием у источника на 160 А обеспечивается уже
при емкости 1000…2000 мкФ, но для электродов с основным покрытием, например
марки УОНИ-13/55, потребуется более значительная емкость, а также сглаживающий
реактор с индуктивностью не менее 0,3 мГн. К недостаткам таких выпрямителей
следует отнести слишком пологий наклон внешних характеристик на основном
участке, что приводит к снижению точности настройки и стабильности тока, к тому
же большой пиковый ток короткого замыкания 1пк=(2,5…3,5)Iд вызывает перегрев
электрода и увеличение разбрызгивания электродного металла.
Далее: 3.3.5. Выпрямитель с подпиткой