|
4. РАЗМЕРЫ
Все предметы имеют свои размеры (ГОСТ 2.307 – 68) - длину, ширину, высоту (рис.20). Размеры предметов и их элементов показывают на их изображениях – чертежах (рис. 30). Изображение определяет форму предмета, а размеры - его величину.
На чертежах размеры делят на три группы:
1) габаритные - это максимальные размеры предмета;
2) размеры элементов предмета;
3)размеры, которые определяют положение элементов предмета.
Рис. 20
4.1.Нанесение размеров
Размеры наносят с помощью выносных и размерных линий, стрелок, знаков и размерных чисел (рис.21).
Рис. 21
Выносные и размерные линии - это сплошные тонкие линии. Размерные линии ограничивают стрелками. Размер стрелки зависит от толщины S сплошных основных линий (рис.22). На одном чертеже все стрелки одинаковые.
Размерные числа, которые наносят на чертеже, выбирают из рядов нормальных чисел (оканчиваются на 0, 5, кратные 2) и проставляют в десятичных дробях. На чертеже размерные числа пишут чертёжным шрифтом. Минимальная высота цифр 3,5 мм.
Рис.22.
Размерное число может показывать линейный и угловой размер (рис.21).
ЗАПОМНИТЕ! Линейные размеры наносят на чертеже в миллиметрах. Единицы измерения не пишут.
Угловые размеры наносят на чертеж в градусах, минутах, секундах. Единицы измерения пишут: 90°, 7°10', 25°10'30''.
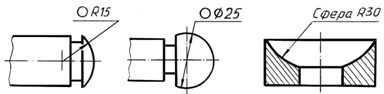
  Для нанесения размеров элементов предмета используют знаки: R - радиус, - диаметр, - сфера, ? – квадрат, - дуга.
Перед размерным числом радиуса пишут букву R (рис.23). Высота буквы равна высоте цифр.
 Перед размерным числом диаметра пишут знак
(рис.23). Высота знака равна высоте цифр, диаметр окружности равен 7/10 его высоты, угол наклона черты 600.
Рис.23
Размер сферы задают радиусом или диаметром (рис.24). Перед знаком R или пишут слово "Сфера" или наносят знак . Размер знака равен высоте цифр.
Рис. 24
Размеры квадрата наносят с помощью знака ? (рис.25). Знак пишут перед размерным числом, которое показывает размер стороны квадрата. Размер знака равен высоте цифр.
Для нанесения размера длины дуги окружности (рис.25) используют знак . Знак пишут над размерным числом.
 
При нанесении размеров на чертеже необходимо знать основные правила, которые устанавливает стандарт.
4.2. Основные правила нанесения размеров на чертежах
4.2.1. Положение выносных и размерных линий
При нанесении размера о т р е з к а п р я м о й:
1. Размерные линии чертят вне контура предмета (рис.26) и внутри контура предмета (рис.27).
Рис.26 Рис.27
2. Расстояние между размерной линией и параллельной ей контурной линией, параллельными размерными линиями (рис.28) от 6 до 10 мм
Рис.28
ЗАПОМНИТЕ! Размерные линии не должны пересекаться с линиями чертежа, а также совпадать с ними. Для этого чертят выносные линии и сначала показывают меньший размер, потом больший.
3. Угол между выносными и размерными линиями 900 (рис.29).
Рис.29
4. Выносные и размерные линии вместе с отрезком образуют параллелограмм (рис. 30).
Рис. 30
5. Выносные линии выходят за концы стрелок размерных линий на 1…5 мм (рис.31).
Рис.31 Рис.32
6.Размерную линию можно обрывать при нанесении размеров на половине симметричного изображения. Её проводят за ось симметрии и стрелку не пишут (рис.32).
При нанесении размера у г л а:
I. Выносные линии являются продолжением сторон угла (рис.33) или их чертят радиально (рис.34).
Рис. 33 Рис.34
2. Размерные линии проводят в виде дуги с центром в вершине угла (рис.33,34).
При нанесении размера о к р у ж н о с т и:
ЗАПОМНИТЕ! Размер окружности показывают размером диаметра.
I. Размерные линии проводят через центр окружности. Они могут пересекаться с контурными линиями (рис.35).
Рис. 35
2. Размерную линию можно обрывать, её провопят за центр окружности и стрелку не пишут (рис.35).
3.Диаметр окружности, которая проецируется в отрезок прямой, показывают длиной этого отрезка (рис .36).
Рис.36 Рис.37
4. Если размер диаметра не помещается внутри окружности, его показывают:
а) на продолжении размерной линии (рис.37);
б) на полке линии-выноски(рис.37);
ЗАПОМНИТЕ! Полка линии-выноски параллельна основной надписи чертежа.
в) размерные линии проводят параллельно диаметру окружности (рис.38).
рис. 38
При нанесении размера д у г и:
ЗАПОМНИТЕ! Размер дуги показывают её радиусом.
I. Размерную линию проводят через центр дуги или по направлению к центру и ограничивают только одной стрелкой, которая упирается в дугу или её продолжение (рис.39).
рис. 39
2.Размерную линию можно смещать или не доводить до центра, если его положение на чертеже не показано (рис.40).
3.Размерную линию чертят параллельными участками с перпендикулярным изломом, если величина радиуса большая (рис.41).
4. Размерные линии разных радиусов, которые проведены из одного центра, не совпадают (рис.42).

5. Размеры наружных радиусов наносят с внешней стороны дуги (рис.43).
рис. 43 рис.44
6. Размеры внутренних радиусов наносят со стороны центра дуги (рис.44).
7. При нанесении размера д л и н ы д у г и выносные линии чертят параллельно биссектрисе центрального угла, если он меньше 90° (рис.45) или по радиусу, если угол, больше 90° (рис.46). Размерные линии чертят концентрично дуге.
рис. 46
рис.45
4.2.2.Положение стрелок
1. Стрелки ограничивают размерную линию внутри выносных линий и показывают границы измерения элемента предмета (рис.47).
рис.47
2. Стрелки наносят с внешней стороны размерной линии, если ее длина меньше 10 мм (рис.48).
рис. 48
3. Стрелки можно заменять точками (рис.49) или штрихами (рис.50), которые проводят под углом 45° к размерной линии, на размерных линиях в виде цепочки.
рис.50
рис. 49
4. Стрелки нельзя пересекать линиями чертежа (рис.51).
рис. 52
4.2.3.Положение размерных чисел
1. Расстояние между размерной линией и размерным числом примерно I мм (рис.52).
рис. 52
2. Размерные числа пишут:
а) над размерной линией и ближе к её середине (рис.53);
б) слева от размерной линии и ближе к её середине (рис.54);
в) смещают относительно середины размерной линии (рис.55);
г) с выпуклой части размерной линии, если угловой размер
расположен выше горизонтальной центральной линии (рис.56);
д) с вогнутой части размерной линии, если угловой размер
расположен ниже горизонтальной центровой линии (рис.56).

3. Размерные числа располагают в шахматном п о р я д к е относительно нескольких параллельных (рис.57) или концентричных (рис.58) размерных линий.
рис. 57 рис.58
4. Размерные числа относительно наклонных размерных линий и дуг наносят по правилам для линейных размеров (рис.59) и угловых размеров (рис.60).
рис. 60
рис.59
ЗАПОМНИТЕ! Размерное число пишут на линии полки-выноски, если размерная линия находится в пределах заштрихованной зоны на рисунках 59 и 60 (рис.61).
5. Размерные числа пишут на продолжении размерных линий или на линии полки-выноски, если длина размерной линии мала (рис.62).
рис. 61
рис. 62
ЗАПОМНИТЕ! Размерные числа не должны пересекаться линиями чертежа (рис. 63).
рис. 63
4.2.4.Нанесение размеров одинаковых элементов предмета
1. Размер одинаковых элементов предмета наносят один с указанием их количества (рис.64).
рис. 64
2.4.2. Размер симметричных элементов предмета наносят один раз и группируют в одном месте, количество элементов не указывают, кроме отверстий (рис.65).
рис. 65
4.2.5. Общие требования к нанесению размеров на чертежах
ЗАПОМНИТЕ! I. Общее количество размеров на чертеже должно быть минимальным, но достаточным для изготовления и контроля предмета (рис.21).
2.Размеры, которые относятся к одному элементу
предмета, группируют в одном месте и наносят на
чертеж один раз на том изображении, на котором
форма элемента более понятна.
3.Размеры внешних и внутренних форм предмета
располагают по разные стороны оси симметрии.
4. Размеры необходимо наносить от линий видимого контура.
На чертежах предметов и деталей размеры наносят с учетом их геометрической формы, технологии изготовления и контроля. Последовательность нанесения размеров с учетом основных правил и требований показана в структурно-логической схеме на рис. 66.
ВЫПОЛНИТЕ ЗАДАНИЯ
Задание 1. Читайте текст, определите его тему, озаглавьте текст.
Все предметы и их элементы имеют свои размеры - длину, ширину, высоту. Размеры наносят на чертежах. Размеры определяют величину предмета. Чтобы нанести размеры чертят выносные и размерные линии, стрелки, пишут знаки и размерные числа. Размеры наносят на чертеж по правилам.
Рис. 66. Структурно-логическая схема по темам размеры и масштабы.
Правила устанавливает стандарт. Основные правила нанесения размеров на чертежах необходимо запомнить.
Задание 2. Ответьте на вопросы.
1.Какие размеры предметов вы знаете?
2.Что определяют размеры?
3.С помощью чего наносят размеры?
4.Какие знаки для нанесения размеров вы знаете?
5.В каких единицах измерения наносят линейные и угловые размеры?
Задание 3. Выполните в тетради чертежи, нанесите размеры.

Проверьте положение выносных и размерных линий, стрелок и размерных чисел (смотрите основные правила). Для каждого чертежа определите общее количество размеров, а также количество габаритных размеров, размеров элементов и размеров, которые определяют положение элементов. Результаты проверьте по таблице 4.
№ чертежа |
РАЗМЕРЫ |
габаритные |
элементов |
определяющие положение элементов |
общее количество |
1 |
2 |
5 |
4 |
11 |
2 |
1 |
8 |
1 |
10 |
3 |
2 |
6 |
4 |
12 |
4 |
1 |
4 |
1 |
6 |
Задание 4. Выполните тестовые задания с выбором правильного ответа.
1. Выносная линия выходит за размерные стрелки на …
А. 6…10 мм. Б. 1…5 мм. В. 1 …2 мм. Г. 15…20 мм.
2.Расстояние между размерной линией и линией видимого контура …
А. 6…10 мм. Б. 3…5 мм. В. 1 …2 мм. Г. 15…20 мм.
3.Расстояние между параллельными размерными линиями …
А. 6…10 мм. Б. 3…5 мм. В. 1 …2 мм. Г. 15…20 мм.
4. Расстояние от размерной линии до размерного числа …
А. 6 мм. Б. 3 мм. В. 1 мм. Г. Любое.
5. Минимальная длина размерных стрелок …
А. 10 мм. Б. 5 мм. В. 2,5 мм. Г. Любая.
6. Осевые и центровые линии выходят за линию видимого контура и очертание окружности на …
А. 6…10 мм. Б. 2…5 мм. В. 1 …2 мм. Г. 15…20 мм.
7. Линейные размеры правильно показаны на рисунке

А. 1. Б. 2. В. 3. Г. 4. Д. Такого рисунка нет.
8.Размерное число относительно горизонтальной размерной линии правильно показано на рисунке ...

А. 1. Б. 2. В. 3. Г. 4. Д. 1 и 3.
9.Размерное число относительно вертикальной размерной линии правильно показано на рисунке ...

А. 1 и 4. Б. 2 и 3. В. 1 и 3. Г. 2 и 4. Д. 3.
10. Размерные числа относительно параллельных горизонтальных размерных линий правильно показаны на рисунке ...

А. 1 . Б. 2. В. 3. Г. 4. Д. 1 и 3.
11. Радиус дуги правильно показан на рисунке ...

А. 1 . Б. 2. В. 2 и 3. Г. 4. Д. 3 и 4.
12.Диаметр окружности правильно показан на рисунке...

А. 1 . Б. 2. В. 2 и 3. Г. 4. Д. 3 и 4.
13. Размер окружности малого диаметра правильно показан на рисунке ...

А. 1 . Б. 2. В. 2 и 3. Г. 1 и 4. Д. 3 и 4.
Задание 5. Выпишите и выучите новые слова.
5. МАСШТАБЫ
Не все предметы и их элементы можно изобразить в натуральную величину. Одни предметы очень большие, другие очень маленькие (рис. 67). Поэтому при выполнении чертежей таких предметов используют масштабы (ГОСТ 2. 302 – 68) уменьшения или увеличения.
рис. 67
ЗАПОМНИТЕ! Масштаб - это отношение линейных размеров изображения к натуральным линейным размерам предмета (рис. 68).
Рис.68.
Масштаб 1:1 – н а т у р а л ь н а я величина (М 1:1). Это значит, что размеры изображения равны размерам предмета.
Масштаб 1:2 - масштаб у м е н ь ш е н и я (М 1:2). Это значит, что размеры изображения в два раза меньше размеров предмета.
Масштаб 2:1 - масштаб у в е л и ч е н и я (М 2:1). Это значит, что размеры изображения в два раза больше размеров предмета.
Масштабы устанавливает стандарт (табл. 5).
ЗАПОМНИТЕ! Размерные числа на чертеже всегда показывают натуральные размеры предмета (рис. 68).
Таблица 5
Масштабы уменьшения |
1:2 |
1:2,5 |
1:4 |
1:5 |
I: 10 |
1:15 |
1:20 |
… |
Натуральная
величина |
1:1 |
Масштабы
увеличения |
2:1 |
2,5:1 |
4:1 |
5:1 |
10:1 |
15:1 |
20:1 |
… |
ЗАПОМНИТЕ! При выполнении чертежа в заданном масштабе не изменяются:
1. Положение выносных и размерных линий.
2. Угловые размеры.
ВЫПОЛНИТЕ ЗАДАНИЯ:
Задание 1. Читайте текст.
Я студент. Моя специальность инженер-строитель. Я буду строить дома. Чтобы выполнить чертеж дома, я использую масштаб уменьшения, потому что дом очень большой. На чертеж я нанесу натуральные размеры дома.
Задание 2. Ответьте на вопросы.
1. Что такое масштаб?
2. Какие масштабы вы используете на чертеже?
3. Когда, используют масштабы уменьшения и увеличения?
4. Что показывают размерные числа на чертеже?
Задание 3. Определите длину предмета " L" и масштаб изображения.
I) 2)

L = …… L =……
M ….. M …..
Задание 4. Выполните чертеж в масштабе М 1:2, нанесите размеры.

Задание 5. Выполните чертеж в масштабе М 2:1, нанесите размеры.

Задание 6. Выполните тестовые задания с выбором правильного ответа.
1. Масштаб 2:1 значит, что …
А. Размеры изображения в два раза больше размеров предмета.
Б. Размеры изображения в два раза меньше размеров предмета.
В. Размеры изображения равны размерам предмета.
2. Масштаб 1:1 значит, что …
А. Размеры изображения в два раза больше размеров предмета.
Б. Размеры изображения в два раза меньше размеров предмета.
В. Размеры изображения равны размерам предмета.
3. Масштаб 4:1 значит, что …
А. Размеры изображения в четыре раза больше размеров предмета.
Б. Размеры изображения в четыре раза меньше размеров предмета.
В. Размеры изображения равны размерам предмета.
4. Размерные числа на чертеже, который выполнен в масштабе 1:5, показывают…
А. Увеличенные размеры предмета.
Б. Уменьшенные размеры предмета.
В. Натуральные размеры предмета.
5. Масштаб 1:2 значит, что …
А. Размеры изображения в два раза больше размеров предмета.
Б. Размеры изображения в два раза меньше размеров предмета.
В. Размеры изображения равны размерам предмета.
6. Размерные числа на чертеже, который выполнен в ть ранее не изучавших масштабе 1:1, показывают…
А. Увеличенные размеры предмета.
Б. Уменьшенные размеры предмета.
В. Натуральные размеры предмета.
Задание 7. Выпишите и выучите новые слова.
|